Image: Dock-Bus on back of TI-95
TI-74 and TI-95 Dock-Bus 10-Pin Pinout
  
   
Pin #  Signal Name  Description
1      PO           Power out -System Power Distribution Out (~6V).
2      PI           6.3V DC input for external power.
3      D0           Cassette data signal input (Pulse Width Modulation data from a cassette player).
4      D1           Part of (4-bit bi-directional data bus).
5      D2           Remote control line (output from the calculator to control a cassette motor, goes low to turn the motor off).
6      D3           Cassette data signal output (PWM data to be recorded to a cassette recorder).
7      HSK          Handshake
8      BAV          Bus Available handshake signal (bi-directional open collector).   
                    LOGIC 0 (LOW) BUS IN USE OUTPUT
                    LOGIC 1 (HI) BUS AVAILABLE FOR INPUT
9      RESET
10     GND          Common ground signal.

========================================================================

D0, D1, D2, D3 are bi-directional 4 bit data bus.

PI can be used power the TI-74 or TI-95 device.

========================================================================

Using cassete with Dock-Bus

The "Cassette Data Input"  is pin #3 --> D0 with pin 10 for ground.
The "Cassette Data Output" is pin #6 --> D3 with pin 10 for ground.    

voltage divider (e.g. 2 resisitors) (1k/10k/20k?) to match the voltage requirements your recorder. 
A 100nF capacitor between voltage divider and mic-input could help

==========================================================================

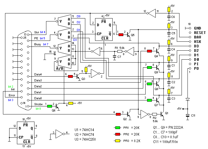
Dock-Bus interface to PC parallel cable interface




Breadboard Jumper Ribbon Cables are cheap on Amazon and can be used to make various interfaces to devices.


==========================================================================

TI CC-40 HEX BUS PINOUT: 
                          ______
                     ____|      |____
                    |                | 
                    |   1  2  3  4   |
                    |                |
                    |   5  6  7  8   |
                    |                |
      


Pin #  Signal Name   FUNCTION
1      GND           Ground - SIGNAL Return
2      BAV           Bus Available handshake signal (bi-directional open collector).   
                     LOGIC 0 (LOW) BUS IN USE OUTPUT
                     LOGIC 1 (HI) BUS AVAILABLE FOR INPUT
3      D1            Data Line BIT 1 (4-bit bi-directional data bus).
4      D0            Data Line BIT 0 (4-bit bi-directional data bus).
5      D2            Data Line BIT 3 (4-bit bi-directional data bus).
6      D3            Data Line BIT 2 (4-bit bi-directional data bus).
7      NOT USED      NO CONNECTION
8      HSK           HANDSHAKE LOGIC 0 (LOW) VALID DATA IS PRESENT ON D0-D3


===========================================================================


Using cassete with HEX-Bus
The "Cassette Data Output" is pin #6 --> D3 with pin 1 for signal ground. 
The "Cassette Data Input"  is pin #3 --> D0 with pin 1 for signal ground.

 voltage divider (e.g. 2 resisitors) (20k?) to match the voltage requirements your recorder. 
 A 100nF capacitor between voltage divider and mic-input could help